Los cambios en el reglamento de Turismo Carretera para Ford y Dodge
 
             Como el mismo departamento técnico señaló: «La ACTC procura que las carreras de Turismo Carretera sean competitivas, accesibles y atractivas para todos sus seguidores, para ello la ACTC tiene en su poder la herramienta para hacer que esta tan buscada paridad exista en sus competencias».
Como el mismo departamento técnico señaló: «La ACTC procura que las carreras de Turismo Carretera sean competitivas, accesibles y atractivas para todos sus seguidores, para ello la ACTC tiene en su poder la herramienta para hacer que esta tan buscada paridad exista en sus competencias».
Es por ello que resolvíó realizar cambios en el Reglamento Técnico de la Categoría de modo emparejar las posibilidades de otras marcas, en este caso Ford y Dodge, que se detallan a continuación:
1.- Modificación Cilindrada:
En los automóviles que originalmente de fábrica están dotados con motor de una cilindrada total de más
de 2500 cc., se permitirá una vez modificado para competir en la presente categoría, elevar dicha
cilindrada hasta:
FORD FALCON: 3110 CC (antes) 3210 CC (ahora) (*)
DODGE CHEROKEE: 3110 CC (se mantiene)
TORINO CHEROKEE: 3110 CC (se mantiene)
CHEVROLET: 3110 CC (se mantiene)
( * ) A dicha cilindrada total máxima permitida, se podrá llegar modificando el volteo del cigüeñal entre los
valores: 74.2 mm hasta 75.3mm. Entre centro de biela permitidos serán 149 mm hasta 152mm.
2.- Modificación Peso del Automóvil:
Peso mínimo al finalizar competencia (series, clasificación o en cualquier momento) incluido buzo y casco:
TORINO CHEROKEE: 1.290 Kg. (se mantiene)
CHEVROLET: 1.290 Kg. (se mantiene)
FORD: 1.290 Kg. (antes) 1260 Kg. (ahora)
DODGE CHEROKEE: 1.290 Kg. (antes) 1275 Kg. (ahora)
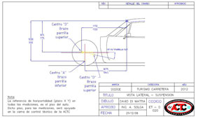
3 – Modificación del ángulo de la parrilla superior de los automóviles marca Dodge.
Plano con ángulo actual y plano con ángulo modificado:

 Click en las imágenes para ampliar
Click en las imágenes para ampliar























 
																			 
																			 
																			 
																			 
																			 
																			
A AVENTIN NO LE DA VERGÜENZA LA MODIFICACION QUE HIZO SU PADRE EN EL REGLAMENTO? LO MODIFICARON POR QUE HABIA NADA MAS QUE TRES FORD EN LA COPA DE ORO PERO AHORA QUE NO HAY NINGUN CHEVROLET NO HACEN NADA!!! SE TIENEN QUE IR TANTO EL PADRE COMO EL HIJO!!!! SI MI VIEJO LLEGABA A HACER ALGO ASI YO MISMO LO CAG…… A PATADAS!!!! ENCIMA NI SIQUIERA PUEDE GANAR UNA CARRERA!!!!!!
Aventin Oscar, me das asco!!, deja de arruinar la categoria, no le queres pones un v8 tambien, son un … no arreglas los autodromos, nos cobras una fortuna en entradas,estacionamientos, por lomenos hace algo con la plata que nos …, por tu culpa no voy mas al autodromo y ojala no valla nadie, te odio tanto, sacas lo peor de mi sos un …, andate yaaaa»!!!!!! ..
YO SOLO PENSABA QUE LA ACTC ERA UNA CATEGORIA. AHORA PIENSO QUE TODO ESE CIRCO QUE ESTA ARMADO SE LE ESTA MURIENDO EL LEON. NOTA ME GUSTA VER COMO MANEJAN LOS BUENOS PILOTOS Y LOS ESTA ELIMINANDO. SALUDOS .
yo creo que en todo cambio va abeneficiar a unos y a otros los perjudica pero
todo cambio en algo muy deportivo como elTC tiene que ser equitativo
SI LE DAS MAS CILINDRADA , NO LES DE MENOS PESO DEJALO IGUAL, SINO
YA ES ROBO.
NO SOY HINCHA DE UNA MARCA SOLO PACION POR LOS FIERROS
GRACIAS
la verdad que estos cambios reglamentarios me suenan a que papi aventin esta hacieendo lo posible para que el nene aventin gane el campeonato o alguna carrera, realmente no comprendo porque hacen esto y encima lo aprueban
.
oscar aventtin creo que tenes que renunciar, sos inpresentable, y esto lo se hace rato
Dejé de ver TC hace algún tiempo cansado de ver tantos autos en la pista que originaban autazos, choques, vuelcos y esa competitividad al extremo donde se dejaban de lado las reglas. Esta cosa de estar modificando y modificando el reglamento para equiparar. No veo en categorías internacionales tanto manoseo. El que trabaja, pone ingenio, hace un auto ganador. Ya quedó clara la cosa de que no es todo cuestión de poder económico.
a ver si con la ayudita del papi, en nene puede ganar de una vez por todas.
una falta de respeto para el gran nivel de los equipos no ford. pero donde manda caudillo…
lamentable!